Close

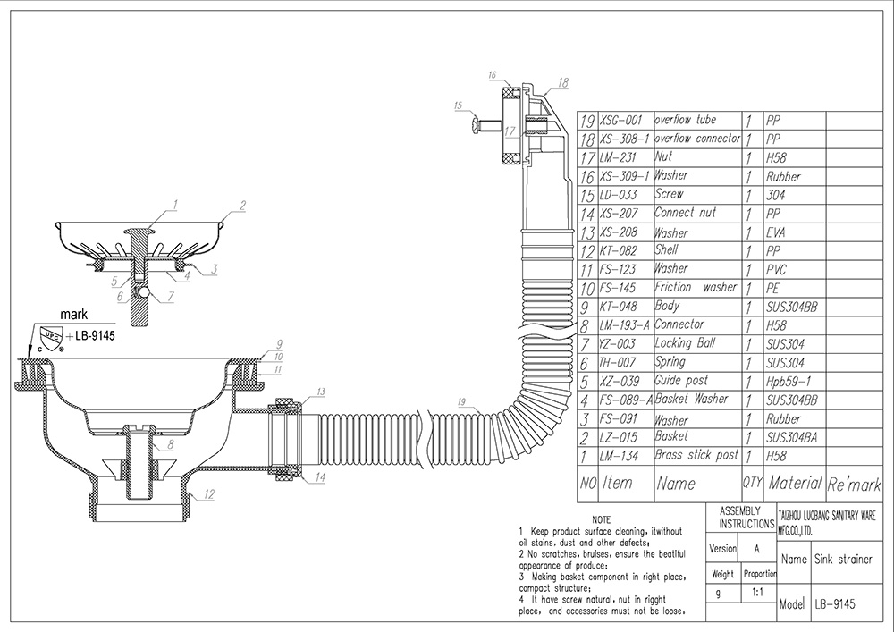
Strainer and accessories

LB-9145

Strainer and accessories

Details

LB-9145-1.jpg